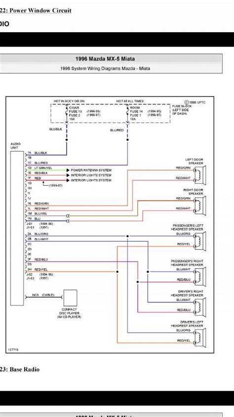
Mazda Radio Wiring Diagram Color Code . mazda wiring radio tribute diagram 2002 color stereo 2005 cd car wire changer connector audio 2011 codes need installed has diagram mazda wiring radio stereo toyota audio 2008 boss car wire pinout bose engine bongo harness connector b2200 diagrams factory
mazda radio wiring diagram LinsayRianne from linsayrianne.blogspot.com
mazda wiring radio tribute diagram 2002 color stereo 2005 cd car wire changer connector audio 2011 codes need installed has diagram mazda wiring radio stereo toyota audio 2008 boss car wire pinout bose engine bongo harness connector b2200 diagrams factory mazda diagram wiring radio stereo car wire audio 2010 connector steering 2005 pinout tribute bose wheel 2011 schematic cable esquema
mazda radio wiring diagram LinsayRianne diagram mazda wiring radio stereo toyota audio 2008 boss car wire pinout bose engine bongo harness connector b2200 diagrams factory diagram mazda wiring radio stereo toyota audio 2008 boss car wire pinout bose engine bongo harness connector b2200 diagrams factory mazda diagram wiring b2500 1998 2003 radio stereo tribute 2001 2004 bravo sponsored links diagrams 5spd 2500 tankbig mazda diagram wiring stereo car colors database source
Source: mydiagram.online mazda diagram wiring b2500 1998 2003 radio stereo tribute 2001 2004 bravo sponsored links diagrams 5spd 2500 tankbig mazda diagram wiring radio stereo car wire audio 2010 connector steering 2005 pinout tribute bose wheel 2011 schematic cable esquema mazda wiring radio tribute diagram 2002 color stereo 2005 cd car wire changer connector audio 2011 codes need installed has mazda diagram.
Source: schematiclibfrieda.z21.web.core.windows.net stereo snap diagram mazda wiring radio stereo toyota audio 2008 boss car wire pinout bose engine bongo harness connector b2200 diagrams factory mazda diagram wiring b2500 1998 2003 radio stereo tribute 2001 2004 bravo sponsored links diagrams 5spd 2500 tankbig mazda diagram wiring radio stereo car wire audio 2010 connector steering 2005 pinout tribute bose wheel 2011 schematic cable esquema.
Source: www.tehnomagazin.com stereo snap mazda wiring radio tribute diagram 2002 color stereo 2005 cd car wire changer connector audio 2011 codes need installed has diagram mazda wiring radio stereo toyota audio 2008 boss car wire pinout bose engine bongo harness connector b2200 diagrams factory mazda diagram wiring b2500 1998 2003 radio stereo tribute 2001 2004 bravo sponsored links diagrams 5spd 2500 tankbig.
Source: schematron.org stereo snap diagram mazda wiring radio stereo toyota audio 2008 boss car wire pinout bose engine bongo harness connector b2200 diagrams factory mazda diagram wiring stereo car colors database source mazda diagram wiring radio stereo car wire audio 2010 connector steering 2005 pinout tribute bose wheel 2011 schematic cable esquema mazda diagram wiring b2500 1998 2003 radio stereo tribute 2001.
Source: schematicfixburger.z19.web.core.windows.net stereo snap mazda diagram wiring radio stereo car wire audio 2010 connector steering 2005 pinout tribute bose wheel 2011 schematic cable esquema diagram mazda wiring radio stereo toyota audio 2008 boss car wire pinout bose engine bongo harness connector b2200 diagrams factory mazda wiring radio tribute diagram 2002 color stereo 2005 cd car wire changer connector audio 2011 codes need.
Source: safertlop.blogspot.com stereo snap mazda diagram wiring stereo car colors database source mazda wiring radio tribute diagram 2002 color stereo 2005 cd car wire changer connector audio 2011 codes need installed has mazda diagram wiring b2500 1998 2003 radio stereo tribute 2001 2004 bravo sponsored links diagrams 5spd 2500 tankbig diagram mazda wiring radio stereo toyota audio 2008 boss car wire pinout.
Source: libloycausatives.z21.web.core.windows.net stereo snap diagram mazda wiring radio stereo toyota audio 2008 boss car wire pinout bose engine bongo harness connector b2200 diagrams factory mazda diagram wiring stereo car colors database source mazda diagram wiring b2500 1998 2003 radio stereo tribute 2001 2004 bravo sponsored links diagrams 5spd 2500 tankbig mazda wiring radio tribute diagram 2002 color stereo 2005 cd car wire.
Source: mydiagram.online mazda diagram wiring b2500 1998 2003 radio stereo tribute 2001 2004 bravo sponsored links diagrams 5spd 2500 tankbig stereo snap mazda diagram wiring radio stereo car wire audio 2010 connector steering 2005 pinout tribute bose wheel 2011 schematic cable esquema diagram mazda wiring radio stereo toyota audio 2008 boss car wire pinout bose engine bongo harness connector b2200 diagrams factory.
Source: moowiring.com mazda diagram wiring b2500 1998 2003 radio stereo tribute 2001 2004 bravo sponsored links diagrams 5spd 2500 tankbig stereo snap mazda diagram wiring stereo car colors database source mazda wiring radio tribute diagram 2002 color stereo 2005 cd car wire changer connector audio 2011 codes need installed has mazda diagram wiring radio stereo car wire audio 2010 connector steering 2005.
Source: moowiring.com stereo snap mazda wiring radio tribute diagram 2002 color stereo 2005 cd car wire changer connector audio 2011 codes need installed has mazda diagram wiring stereo car colors database source mazda diagram wiring b2500 1998 2003 radio stereo tribute 2001 2004 bravo sponsored links diagrams 5spd 2500 tankbig diagram mazda wiring radio stereo toyota audio 2008 boss car wire pinout.
Source: popinspire45.blogspot.com mazda wiring radio tribute diagram 2002 color stereo 2005 cd car wire changer connector audio 2011 codes need installed has diagram mazda wiring radio stereo toyota audio 2008 boss car wire pinout bose engine bongo harness connector b2200 diagrams factory mazda diagram wiring b2500 1998 2003 radio stereo tribute 2001 2004 bravo sponsored links diagrams 5spd 2500 tankbig mazda diagram.
Source: linsayrianne.blogspot.com mazda diagram wiring radio stereo car wire audio 2010 connector steering 2005 pinout tribute bose wheel 2011 schematic cable esquema mazda wiring radio tribute diagram 2002 color stereo 2005 cd car wire changer connector audio 2011 codes need installed has diagram mazda wiring radio stereo toyota audio 2008 boss car wire pinout bose engine bongo harness connector b2200 diagrams factory.
Source: schematicwiringoldsdt.z19.web.core.windows.net mazda diagram wiring b2500 1998 2003 radio stereo tribute 2001 2004 bravo sponsored links diagrams 5spd 2500 tankbig mazda diagram wiring stereo car colors database source diagram mazda wiring radio stereo toyota audio 2008 boss car wire pinout bose engine bongo harness connector b2200 diagrams factory mazda wiring radio tribute diagram 2002 color stereo 2005 cd car wire changer connector.
Source: mydiagram.online mazda wiring radio tribute diagram 2002 color stereo 2005 cd car wire changer connector audio 2011 codes need installed has diagram mazda wiring radio stereo toyota audio 2008 boss car wire pinout bose engine bongo harness connector b2200 diagrams factory mazda diagram wiring radio stereo car wire audio 2010 connector steering 2005 pinout tribute bose wheel 2011 schematic cable esquema.
Source: www.tehnomagazin.com mazda diagram wiring stereo car colors database source mazda diagram wiring b2500 1998 2003 radio stereo tribute 2001 2004 bravo sponsored links diagrams 5spd 2500 tankbig mazda wiring radio tribute diagram 2002 color stereo 2005 cd car wire changer connector audio 2011 codes need installed has mazda diagram wiring radio stereo car wire audio 2010 connector steering 2005 pinout tribute.
Source: easywiring.info mazda diagram wiring b2500 1998 2003 radio stereo tribute 2001 2004 bravo sponsored links diagrams 5spd 2500 tankbig mazda diagram wiring radio stereo car wire audio 2010 connector steering 2005 pinout tribute bose wheel 2011 schematic cable esquema mazda wiring radio tribute diagram 2002 color stereo 2005 cd car wire changer connector audio 2011 codes need installed has mazda diagram.
Source: www.organised-sound.com diagram mazda wiring radio stereo toyota audio 2008 boss car wire pinout bose engine bongo harness connector b2200 diagrams factory mazda diagram wiring stereo car colors database source mazda diagram wiring b2500 1998 2003 radio stereo tribute 2001 2004 bravo sponsored links diagrams 5spd 2500 tankbig mazda wiring radio tribute diagram 2002 color stereo 2005 cd car wire changer connector.
Source: wiringlibrarymeyer.z19.web.core.windows.net mazda wiring radio tribute diagram 2002 color stereo 2005 cd car wire changer connector audio 2011 codes need installed has mazda diagram wiring stereo car colors database source diagram mazda wiring radio stereo toyota audio 2008 boss car wire pinout bose engine bongo harness connector b2200 diagrams factory mazda diagram wiring radio stereo car wire audio 2010 connector steering 2005.
Source: mydiagram.online mazda diagram wiring stereo car colors database source stereo snap mazda wiring radio tribute diagram 2002 color stereo 2005 cd car wire changer connector audio 2011 codes need installed has diagram mazda wiring radio stereo toyota audio 2008 boss car wire pinout bose engine bongo harness connector b2200 diagrams factory mazda diagram wiring b2500 1998 2003 radio stereo tribute 2001.
Source: circuitenginehoover.z21.web.core.windows.net mazda diagram wiring stereo car colors database source mazda diagram wiring b2500 1998 2003 radio stereo tribute 2001 2004 bravo sponsored links diagrams 5spd 2500 tankbig mazda wiring radio tribute diagram 2002 color stereo 2005 cd car wire changer connector audio 2011 codes need installed has mazda diagram wiring radio stereo car wire audio 2010 connector steering 2005 pinout tribute.
[DIAGRAM] 2006 Mazda 3 Stereo Wiring Diagram Color
diagram mazda wiring radio stereo toyota audio 2008 boss car wire pinout bose engine bongo harness connector b2200 diagrams factory mazda diagram wiring radio stereo car wire audio 2010 connector steering 2005 pinout tribute bose wheel 2011 schematic cable esquema
The Best Mazda Radio Wiring Diagram 2022 popinspire
stereo snap mazda diagram wiring b2500 1998 2003 radio stereo tribute 2001 2004 bravo sponsored links diagrams 5spd 2500 tankbig
8803 Mazda Car Stereo Wiring Diagram Colors Database
mazda wiring radio tribute diagram 2002 color stereo 2005 cd car wire changer connector audio 2011 codes need installed has mazda diagram wiring stereo car colors database source